语言选择
GY-FL100系列
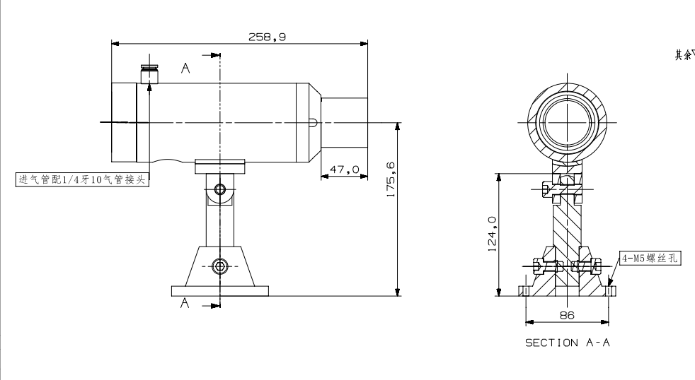
为此装置输送压缩空气时,可使罩内的测温仪器进行降温制冷,也可起到吹扫灰尘的作用。
GY-05/08系列
联系电话:
029-89527269
公司地址:
陕西省西安市高新区新型工业园
联系人:
张先生:18189258977
Copyright © 2024 西安千赢国际电子科技有限公司版权所有
技术支持: